| État de disponibilité: | |
|---|---|
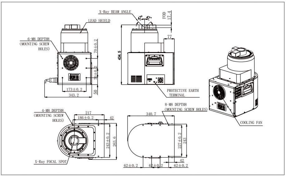
UNMS-U180B
UNICOMP
L'UNMS-U180B est une source de rayons X Microfocus à tube fermé 180 kV utilisant la technologie de cathode chaude, le contrôle numérique et les matières premières 100% domestiques.
Paramètre clé
Max. Tension de tube: 180kV
Max. Alimentation du tube: 90W
Min. Taille du spot: ≤8μm
Angle de faisceau: 94 ± 3 °
Applications
Paquet de circuits intégrés
SMT, fabrication électronique PCBA
Substrat / module IGBT
Batterie EV
Inspection des pièces en métal
Inspection des pièces en plastique
Spécification
| Plage de tension de tube de fonctionnement | 40-180 kV |
| Plage de courant de tube de fonctionnement | 0-500 μA |
| Puissance de tube maximale | 90W |
| Tension d'entrée (DC) | 48 ± 0,5 V |
| Consommation d'énergie | Moins de 200W |
| Matière de fenêtre / épaisseur | Être / 0,50 mm |
| Diamètre de la fenêtre | 40 ± 0,50 mm |
| Angle de faisceau | 94 ± 3 ° |
| Matériau cible | Tungstène |
| Bordereau | 17,4 ± 0,5 mm |
| Poids | Env. 34 kg |
| Verrouillage de sécurité | Court-circuit externe |
| Connexion de contrôle | Interface: RS-232 (prise à 9 broches) |
| Mode de fonctionnement | Continu |
Images aux rayons X
Empreinte
L'UNMS-U180B est une source de rayons X Microfocus à tube fermé 180 kV utilisant la technologie de cathode chaude, le contrôle numérique et les matières premières 100% domestiques.
Paramètre clé
Max. Tension de tube: 180kV
Max. Alimentation du tube: 90W
Min. Taille du spot: ≤8μm
Angle de faisceau: 94 ± 3 °
Applications
Paquet de circuits intégrés
SMT, fabrication électronique PCBA
Substrat / module IGBT
Batterie EV
Inspection des pièces en métal
Inspection des pièces en plastique
Spécification
| Plage de tension de tube de fonctionnement | 40-180 kV |
| Plage de courant de tube de fonctionnement | 0-500 μA |
| Puissance de tube maximale | 90W |
| Tension d'entrée (DC) | 48 ± 0,5 V |
| Consommation d'énergie | Moins de 200W |
| Matière de fenêtre / épaisseur | Être / 0,50 mm |
| Diamètre de la fenêtre | 40 ± 0,50 mm |
| Angle de faisceau | 94 ± 3 ° |
| Matériau cible | Tungstène |
| Bordereau | 17,4 ± 0,5 mm |
| Poids | Env. 34 kg |
| Verrouillage de sécurité | Court-circuit externe |
| Connexion de contrôle | Interface: RS-232 (prise à 9 broches) |
| Mode de fonctionnement | Continu |
Images aux rayons X
Empreinte