Vous êtes ici: Maison » Produits » Source de rayons X » Source de rayons X de 150kV de microfocus

Détail du produit

loading

Source de rayons X de 150kV de microfocus

L'UNMS-U150B est une source de radiographie microfocus à tube fermé de 150 kV à l'aide de la technologie de cathode chaude, de contrôle numérique et de matières premières 100% domestiques.
Il présente les avantages d'une petite taille focale, d'un grossissement élevé, d'une émission de rayons X stable, d'une puissance de sortie plus élevée et d'une forte capacité de pénétration.
État de disponibilité:
  • UNMS-U150B

  • UNICOMP

L'UNMS-U150B est une source de rayons X Microfocus à tube fermé de 150 kV utilisant la technologie de cathode chaude, le contrôle numérique et les matières premières à 100% domestiques.


Paramètre clé

  • Max. Tension de tube: 150kV

  • Max. Alimentation du tube: 60W

  • Min. Taille du spot: ≤7 μm

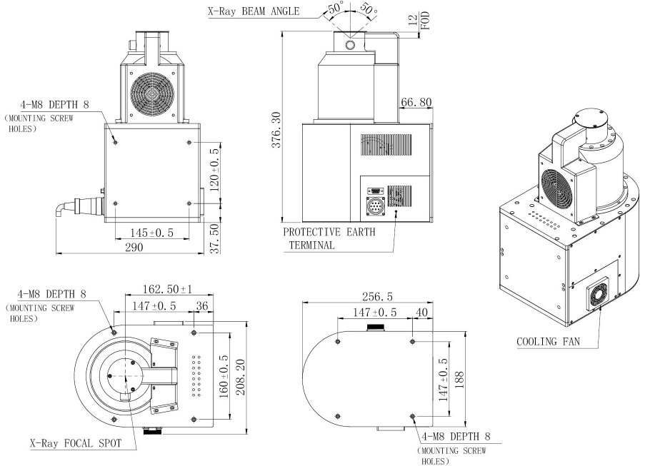
  • Angle de faisceau: 100 ± 3 °


Applications

  • Paquet de circuits intégrés

  • SMT, fabrication électronique PCBA

  • Substrat / module IGBT

  • Batterie EV


Spécification


Plage de tension de tube de fonctionnement 40-150 kV
Plage de courant de tube de fonctionnement 0-400 μA
Puissance de tube maximale 60W
Tension d'entrée (DC) 48 ± 0,5 V
Consommation d'énergie Moins de 150W
Matière de fenêtre / épaisseur Être / 0,51 mm
Diamètre de la fenêtre 38 mm
Angle de faisceau 100 ± 3 °
Matériau cible Tungstène
Bordereau 12 ± 0,5 mm
Poids Env. 15 kg
Verrouillage de sécurité Court-circuit externe
Connexion de contrôle Contrôle numérique
Mode de fonctionnement Continu



Images aux rayons X


150KV 2-150KV 3-150KV


Empreinte


三视图 150kV

sur: 
En vertu d'un: 
Contactez-nous
DES SOLUTIONS PROFESSIONNELLES POUR VOUS

Unicomp | Radiographie Inspection

message de congé
Contactez-nous

LIENS RAPIDES

CATÉGORIE DE PRODUITS

NOUS CONTACTER

+86-755-8527-1589(Temps de travail)
info@global-xray.com
 Bâtiment A, Bangkai Science & Technology Park, No 9 Bangkai Road, Parc industriel de haute technologie, Guangming New District, Shenzhen, Chine
Code postal: 518107
droits d'auteur 2021 Unicomp Technology Co., Ltd. Tous droits réservés www.unicomp.cn www.unicompxray.com