| État de disponibilité: | |
|---|---|
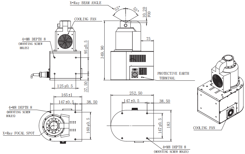
UNMS-U130B
UNICOMP
L'UNMS-U130B est une source de radiographie microfocus à tube fermé de 130 kV utilisant la technologie de cathode chaude, le contrôle numérique et les matières premières 100% domestiques. Il présente les avantages d'une petite taille focale, d'un grossissement élevé, d'une émission de rayons X stable, d'une puissance de sortie plus élevée et d'une forte capacité de pénétration.
Paramètre clé
Max. Tension de tube: 130kV
Max. Alimentation du tube: 65W
Min. Taille du spot: ≤7 μm
Angle de faisceau: 115 ± 3 °
Applications
Paquet de circuits intégrés
SMT, fabrication électronique PCBA
Substrat / module IGBT
Batterie EV
Caractéristiques
| Plage de tension de tube de fonctionnement | 40-130 kV |
| Plage de courant de tube de fonctionnement | 0-500 μA |
| Puissance de tube maximale | 65W |
| Tension d'entrée (DC) | 25 ± 0,5 V |
| Consommation d'énergie | Moins de 150W |
| Matière de fenêtre / épaisseur | Être / 0,51 mm |
| Diamètre de la fenêtre | 38 mm |
| Angle de faisceau | 115 ± 3 ° |
| Matériau cible | Tungstène |
| Bordereau | 10 ± 0,5 mm |
| Poids | Env. 13 kg |
| Verrouillage de sécurité | Court-circuit externe |
| Connexion de contrôle | Contrôle numérique |
| Mode de fonctionnement | Continu |
Images aux rayons X
Empreinte
L'UNMS-U130B est une source de radiographie microfocus à tube fermé de 130 kV utilisant la technologie de cathode chaude, le contrôle numérique et les matières premières 100% domestiques. Il présente les avantages d'une petite taille focale, d'un grossissement élevé, d'une émission de rayons X stable, d'une puissance de sortie plus élevée et d'une forte capacité de pénétration.
Paramètre clé
Max. Tension de tube: 130kV
Max. Alimentation du tube: 65W
Min. Taille du spot: ≤7 μm
Angle de faisceau: 115 ± 3 °
Applications
Paquet de circuits intégrés
SMT, fabrication électronique PCBA
Substrat / module IGBT
Batterie EV
Caractéristiques
| Plage de tension de tube de fonctionnement | 40-130 kV |
| Plage de courant de tube de fonctionnement | 0-500 μA |
| Puissance de tube maximale | 65W |
| Tension d'entrée (DC) | 25 ± 0,5 V |
| Consommation d'énergie | Moins de 150W |
| Matière de fenêtre / épaisseur | Être / 0,51 mm |
| Diamètre de la fenêtre | 38 mm |
| Angle de faisceau | 115 ± 3 ° |
| Matériau cible | Tungstène |
| Bordereau | 10 ± 0,5 mm |
| Poids | Env. 13 kg |
| Verrouillage de sécurité | Court-circuit externe |
| Connexion de contrôle | Contrôle numérique |
| Mode de fonctionnement | Continu |
Images aux rayons X
Empreinte