| État de disponibilité: | |
|---|---|
UNMS-U110B
UNICOMP
L'UNMS-U110B est une source de rayons X Microfocus à tube fermé de 110 kV utilisant la technologie de cathode chaude, le contrôle numérique et les matières premières 100% domestiques. Il présente les avantages d'une petite taille focale, d'un grossissement élevé, d'une émission de rayons X stable, d'une puissance de sortie plus élevée et d'une forte capacité de pénétration.
Paramètre clé
Max. Tension de tube: 110kV
Max. Alimentation du tube: 25W
Min. Taille du spot: ≤5 μm
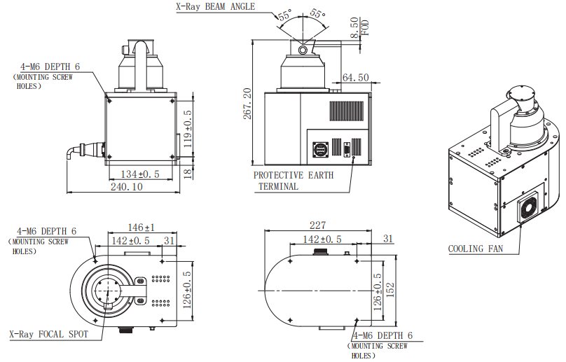
Angle de faisceau: 110 ± 3 °
Application
Paquet de circuits intégrés
SMT, fabrication électronique PCBA
Substrat / module IGBT
Batterie EV
Caractéristiques
| Plage de tension de tube de fonctionnement | 40-110 kV |
| Plage de courant de tube de fonctionnement | 0-250 μA |
| Puissance de tube maximale | 25W |
| Tension d'entrée (DC) | 25 ± 0,5 V |
| Consommation d'énergie | < 75W |
| Matière de fenêtre / épaisseur | Être / 0,51 mm |
| Diamètre de la fenêtre | 38 mm |
| Angle de faisceau | 110 ± 3 ° |
| Matériau cible | Tungstène |
| Bordereau | 8,5 ± 0,5 mm |
| Poids | Environ 7,7 kg |
| Verrouillage de sécurité | Court-circuit externe |
| Connexion de contrôle | Contrôle numérique |
| Mode de fonctionnement | Continu |
Images aux rayons X
Empreinte
L'UNMS-U110B est une source de rayons X Microfocus à tube fermé de 110 kV utilisant la technologie de cathode chaude, le contrôle numérique et les matières premières 100% domestiques. Il présente les avantages d'une petite taille focale, d'un grossissement élevé, d'une émission de rayons X stable, d'une puissance de sortie plus élevée et d'une forte capacité de pénétration.
Paramètre clé
Max. Tension de tube: 110kV
Max. Alimentation du tube: 25W
Min. Taille du spot: ≤5 μm
Angle de faisceau: 110 ± 3 °
Application
Paquet de circuits intégrés
SMT, fabrication électronique PCBA
Substrat / module IGBT
Batterie EV
Caractéristiques
| Plage de tension de tube de fonctionnement | 40-110 kV |
| Plage de courant de tube de fonctionnement | 0-250 μA |
| Puissance de tube maximale | 25W |
| Tension d'entrée (DC) | 25 ± 0,5 V |
| Consommation d'énergie | < 75W |
| Matière de fenêtre / épaisseur | Être / 0,51 mm |
| Diamètre de la fenêtre | 38 mm |
| Angle de faisceau | 110 ± 3 ° |
| Matériau cible | Tungstène |
| Bordereau | 8,5 ± 0,5 mm |
| Poids | Environ 7,7 kg |
| Verrouillage de sécurité | Court-circuit externe |
| Connexion de contrôle | Contrôle numérique |
| Mode de fonctionnement | Continu |
Images aux rayons X
Empreinte